新品发布 | 多维科技推出TMR-FMD8133ULNx系列低噪声、高瞬态响应磁传感器,助力高敏感度铁磁物体探测系统 - 公司新闻 - 关于多维
公司新闻

新品发布 | 多维科技推出TMR-FMD8133ULNx系列低噪声、高瞬态响应磁传感器,助力高敏感度铁磁物体探测系统

发布日期:2026年01月28日    浏览次数:2357

大眼图

2026 年 1 月 27 日消息,江苏多维科技 (Dowaytech) 推出 TMR-FMD8133ULNx 系列低噪声磁传感器。该款产品具有强低频动态微弱磁场检测能力,实现了弱磁信号的高瞬态响应、高分辨率检测。

近年来,全球范围内发生多起因铁磁物质误入 MRI 强磁场环境导致的设备损毁及人员伤害事故。为此,多国开展政策驱动与安全升级,相关法规相继出台。其中,中国《磁共振成像安全管理中国专家共识》,美国《MR环境中医疗设备安全测试与标签指南》和欧盟 MDR 法规 (EU 2017/745) 的公布发行,进一步明确了 MRI 检查区域须建立有效的铁磁探测机制。磁共振成像 (MRI) 环境中的铁磁物质检测已从可选配置转变为医疗机构不可或缺的基础设施。

在此行业背景下,传统人工排查及普通金属探测器在敏感度、抗干扰能力及系统集成性方面存在明显局限,难以满足当前复杂医疗环境下的精准检测需求。多维科技基于多年低噪声 TMR 芯片和弱磁测量技术的积累,积极应对行业需求,推出的 TMR-FMD8133ULNx 系列低噪声、高瞬态响应磁传感器,旨在提供可靠的铁磁物体探测技术解决方案应对日益严峻的医疗安全问题。

TMR-FMD8133ULNx

1、40mV 超低纹波设计,实现远距离精准探测

多维科技 TMR-FMD8133ULNx 系列产品将输出纹波控制在 40mV 以内,显著提升了信噪比与检测距离。如对无磁化回形针 (Comix B3500) 的检测距离可达 25cm,能够有效识别金属碎屑、衣物内置钢圈等隐蔽铁磁物体。无论是 MRI 室通道的远距离预警,还是更衣室、诊疗区的近距离排查,均能大幅降低漏检风险。

2、标准化供电与输出,便于系统集成

多维科技 TMR-FMD8133ULNx 系列产品采用 3.3V 供电与 1.6V 静态输出设计,无需外接适配模块即可与主流通用型 AD 芯片直接对接。这一特点显著降低了系统集成商的开发成本与周期。无论是升级现有铁磁探测门,还是研发壁挂式新型检测设备,都能快速兼容、灵活部署,可适配医院的分级配置需求。

TMR-FMD8133ULNx隔离电路

3、可达 50pT 低噪声性能,适应全工况环境

多维科技 TMR-FMD8133ULNx 系列产品的噪声水平稳定在 50pT-1000pT 范围,使传感器具备优异的环境适应性。无论是在医院的高通量探测通道,还是在科研机构的精密实验场景,均能保持稳定可靠的数据输出。

频率响应特性图

4、紧凑型结构,支持高集成设备设计

多维科技 TMR-FMD8133ULNx 系列产品采用小型化、紧凑型外观设计,兼顾安装便捷性与空间适应性,可灵活集成于各类医疗检测设备中,包括儿童专属探测通道、移动诊疗车等有限空间场景设备等。

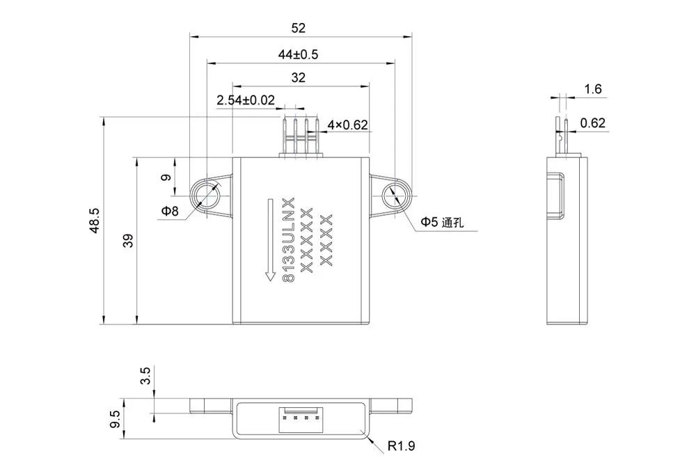
TMR-FMD8133ULNx 尺寸图

多维科技 TMR-FMD8133ULNx 系列产品不仅适用于医院 MRI 室的安全通道监测,也可扩展至更衣区、诊疗区等人员流动区域的铁磁物质筛查。其高兼容性与模块化的特性,可为设备制造友商提供可靠的铁磁探测磁传感器技术方案,助力铁磁探测设备向高敏感度和更加安全可靠的方向发展。

即刻行动

如需获取 TMR-FMD8133ULNx 系列低噪声磁传感器样品及专业技术支持,请立即联系多维科技。

江苏多维科技 (Dowaytech) 倾力打造的磁传感器晶圆IDM模式制造平台,经过十多年不断地累积,高度整合了供应链资源,在满足客户的批量采购需求的同时,最大程度地保障供应产品的质量一致性及稳定性。江苏多维科技为满足客户多元化的定制需要,将努力提供更多、更好的优质磁传感器芯片产品。

芯

点击了解更多 TMR-FMD8133ULNx 系列产品详情

获取最新信息

多维科技不定期地通过电子邮件向订阅用户发送最新消息,包括新品发布,应用方案,展会邀请等。

多维科技微信公众号
微信公众号
多维科技视频号
视频号